Каталог товаров

Канавный пневмогидравлический подъемник 16 т, рельсовый одноштоковый ПРК-16

Артикул: ПРК-16
Предзаказ
Есть в наличии
0 руб
329 914 руб
Самовывоз
  • Санкт-Петербург: уточняйте
  • Москва: уточняйте
  • Оптовый склад: уточняйте
Основные характеристики
  • Время подъема, сек:
    94
  • Время опускания, сек:
    106
  • Способ закачки масла в цилиндр:
    пневмо
  • Рабочее давление воздуха, бар:
    14
  • Расход воздуха, л/мин: i
    158
  • Модельный ряд: i
    ПРК
Способы доставки
  • Самовывоз (МСК и СПБ)
  • Курьерская доставка СДЭК
  • Экспресс Яндекс.Доставка Такси в МСК и СПб на условиях сервиса
  • ТК "Деловые линии" (отправка 2 раза в неделю, за свой счет довозим до терминала в городе отправления)
  • Транспортные компании (ПЭК, КИТ и др.) от 1500 р.
Способы оплаты
  • Наличными в офисе
  • Безналичный расчет с НДС (для юр.лиц и ИП)
  • Картой на сайте (Мир, Visa)
  • Картой в офисе (терминал)
  • Рассрочка и Кредит (уточняйте)
Описание

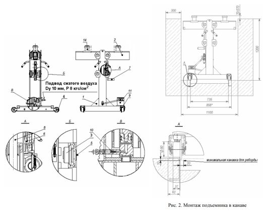
Канавный пневмогидравлический подъемник 16т 530мм ПРК-16 — универсальный

ПРК-16 предназначен для безопасного подъёма грузовых и лёгковых автомобилей в смотровых канавных зонах. Это профессиональный инструмент для СТО и автосервисов, обеспечивающий стабильную работу при интенсивной эксплуатации. Подъемник подходит для ремонта, диагностики и регулировочных работ на стойках и рамах автомобилей.

Устройство решает задачи подъёма и фиксации транспортных средств различной массы и компоновки — от легковых машин до грузовых авто и спецтехники с возможностью работы в узких канавах. Универсальная конструкция и регулировка подхватов облегчают работу с различными типами рам и позволяют минимизировать время подготовки машины к обслуживанию. Надёжная пневмогидравлическая система обеспечивает плавный подъём и контролируемое опускание при минимальном обслуживании.

Преимущества Подъемник канавный пневмо гидравлический напольный рельсовый ПРК-16

ПРК-16 сочетает повышенную грузоподъёмность с возможностью эксплуатации в узких канавах, что расширяет назначение подъемника в мастерских с ограниченным пространством. Пневмогидравлический привод обеспечивает надёжную работу от воздушного питания и плавное управление движением траверсы. Многоуровневая система безопасности и механические фиксаторы исключают самопроизвольное опускание при обслуживании. Простая конструкция снижает требования к обслуживанию и увеличивает срок эксплуатации в условиях профессиональной загрузки.

  • Грузоподъемность: 16 т
  • Ход штока: 530 мм
  • Тип привода: пневмогидравлический
  • Вид штока: одноштоковый
  • Количество стоек: 1
  • Максимальное расстояние между точками подхвата: 875 мм
  • Мобильность: универсальный
  • Тип установки: рельсовый
  • Вес: 300 кг
  • Гарантия: 12 мес.
  • Производство: Россия

Комплект поставки Канавный Одноштоковый подъемник ПРК-16

  • Подъемник - 1 шт.
  • Основание П150.10.03.000 - 2 шт.
  • Подхват П150.10.07.000 - 2 шт.
  • Руководство по эксплуатации - 1 шт. ПРК-16.00.00.000 РЭ
  • Лист упаковочный - 1 шт.
Основные характеристики:
  • Тип установки:
  • Грузоподъемность, т:
    16
  • Мобильность:
    универсальный
  • Назначение:
  • Вид штока:
    Одноштоковый
  • Количество стоек:
    1
  • Количество штоков:
    1
  • Ход штока, мм:
    530
  • Горизонтальное смещение:
    нет
  • Расстояние между точками подхвата max, мм:
    875
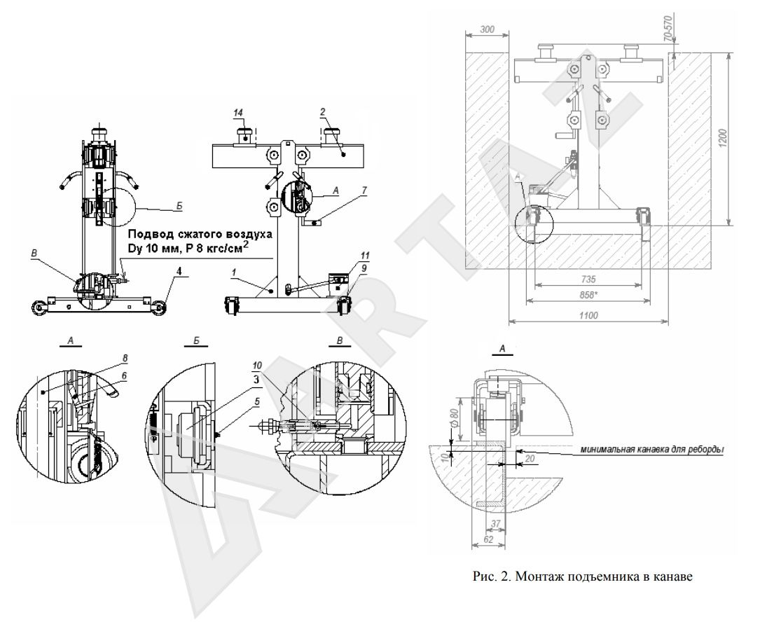
  • Минимальная ширина ямы, мм:
    700
Дополнительно:
  • Время подъема, сек:
    94
  • Время опускания, сек:
    106
  • Способ закачки масла в цилиндр:
    пневмо
  • Рабочее давление воздуха, бар:
    14
  • Расход воздуха, л/мин: i
    158
  • Модельный ряд: i
    ПРК
  • Вес, кг:
    300
  • Цвет:
    синий
  • Габариты изделия, мм: i
    1135×1029×1370

Информация на сайте носит ознакомительный характер и не является публичной офертой или истинной в последней инстанции. Внешний вид изделий и упаковка (если заявлена) могут отличаться от изображений на сайте (демонстрационный ориентировочный вариант). Производители оставляют за собой право менять характеристики без уведомления, в том числе в инструкциях (паспортах) - обязательно запрашивайте подтверждение значений ключевых характеристик.
В связи со сложностями с валютой, логистикой и импортом, просьба запрашивать подтверждения цены и наличия товара на складах в Москве и Санкт-Петербурге

Характеристики
Основные характеристики:
  • Тип установки:
  • Грузоподъемность, т:
    16
  • Мобильность:
    универсальный
  • Назначение:
  • Вид штока:
    Одноштоковый
  • Количество стоек:
    1
  • Количество штоков:
    1
  • Ход штока, мм:
    530
  • Горизонтальное смещение:
    нет
  • Расстояние между точками подхвата max, мм:
    875
  • Минимальная ширина ямы, мм:
    700
Дополнительно:
  • Время подъема, сек:
    94
  • Время опускания, сек:
    106
  • Способ закачки масла в цилиндр:
    пневмо
  • Рабочее давление воздуха, бар:
    14
  • Расход воздуха, л/мин: i
    158
  • Модельный ряд: i
    ПРК
  • Вес, кг:
    300
  • Цвет:
    синий
  • Габариты изделия, мм: i
    1135×1029×1370
Инструкция по монтажу и эксплуатации — ПРК-16 Подъемник канавный, г/п 16 т
Документация
Отзывы
Пока нет комментариев
Написать отзыв
Имя получателя*
Email
Введите комментарий*
Инструкции и документация
Инструкция по монтажу и эксплуатации — ПРК-16 Подъемник канавный, г/п 16 т
329 914 руб