Каталог товаров

Канавный пневмогидравлический подъемник 20 т, рельсовый, одноштоковый ПРК-20

Артикул: ПРК-20
Предзаказ
Есть в наличии
0 руб
372 766 руб
Самовывоз
  • Санкт-Петербург: уточняйте
  • Москва: уточняйте
  • Оптовый склад: уточняйте
Основные характеристики
  • Время подъема, сек:
    116
  • Время опускания, сек:
    130
  • Способ закачки масла в цилиндр:
    пневмо
  • Рабочее давление воздуха, бар:
    14
  • Расход воздуха, л/мин: i
    158
  • Модельный ряд: i
    ПРК
Способы доставки
  • Самовывоз (МСК и СПБ)
  • Курьерская доставка СДЭК
  • Экспресс Яндекс.Доставка Такси в МСК и СПб на условиях сервиса
  • ТК "Деловые линии" (отправка 2 раза в неделю, за свой счет довозим до терминала в городе отправления)
  • Транспортные компании (ПЭК, КИТ и др.) от 1500 р.
Способы оплаты
  • Наличными в офисе
  • Безналичный расчет с НДС (для юр.лиц и ИП)
  • Картой на сайте (Мир, Visa)
  • Картой в офисе (терминал)
  • Рассрочка и Кредит (уточняйте)
Описание

Канавный пневмогидравлический подъемник 20т 650мм ПРК-20 — Передвижной

Подъемник ПРК-20 предназначен для подъема и фиксации автомобилей в смотровых канавах при проведении ремонтных и сервисных работ. Это профессиональный инструмент для станций технического обслуживания и автосервисов, обеспечивающий надежный подъем за раму, лонжероны, мост или балку.

Устройство решает задачи обслуживания шасси, замены агрегатов и ремонта грузовой, легковой и специализированной техники. Пневмогидравлический привод упрощает подключение — требуется только сжатый воздух — а передвижная рельсовая конструкция и регулируемые подхваты делают подъемник удобным и экономичным решением для мастерских с разной конфигурацией ям и автомобилей.

Преимущества Подъемник канавный пневмо ПРК-20

Компактная рельсовая рама и поворотные колеса обеспечивают быструю позиционировку и маневрирование в канаве. Многоуровневая система безопасности и подпружиненные защелки фиксируют траверсу в поднятом положении, исключая самопроизвольное опускание. Регулируемые подхваты позволяют адаптировать подъемник под различные типы рам и мостов. Пневмогидравлический насос устраняет зависимость от электросети и минимизирует время подготовки к работе.

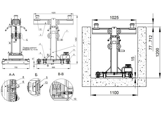
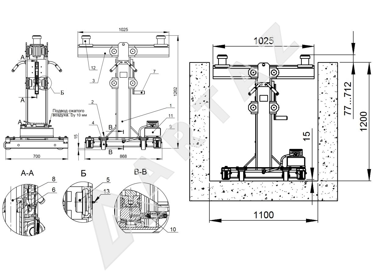
  • Грузоподъемность: 20 т
  • Ход штока: 650 мм
  • Тип привода: пневмогидравлический
  • Вид штока: одноштоковый
  • Количество стоек: 1
  • Максимальное расстояние между точками подхвата: 875 мм
  • Мобильность: Передвижной
  • Тип установки: рельсовый
  • Вес: 320 кг
  • Гарантия: 12 мес.
  • Производство: Россия

Комплект поставки Канавный Одноштоковый подъемник ПРК-20

  • Подъемник - 1 шт.
  • Основание П150.10.03.000 - 2 шт.
  • Подхват П150.10.07.000 - 2 шт.
  • Руководство по эксплуатации - 1 экз.
  • Лист упаковочный - 1 экз.
Основные характеристики:
  • Тип установки:
  • Грузоподъемность, т:
    20
  • Мобильность:
    Передвижной
  • Назначение:
  • Высота подхвата, мм:
    70
  • Вид штока:
    Одноштоковый
  • Количество стоек:
    1
  • Количество штоков:
    1
  • Ход штока, мм:
    650
  • Расстояние между точками подхвата max, мм:
    875
  • Минимальная ширина ямы, мм:
    700
  • Давление в гидравлической системе, бар:
    400
Дополнительно:
  • Время подъема, сек:
    116
  • Время опускания, сек:
    130
  • Способ закачки масла в цилиндр:
    пневмо
  • Рабочее давление воздуха, бар:
    14
  • Расход воздуха, л/мин: i
    158
  • Модельный ряд: i
    ПРК
  • Вес, кг:
    320
  • Цвет:
    синий
  • Габариты изделия, мм: i
    700x1270x1025

Информация на сайте носит ознакомительный характер и не является публичной офертой или истинной в последней инстанции. Внешний вид изделий и упаковка (если заявлена) могут отличаться от изображений на сайте (демонстрационный ориентировочный вариант). Производители оставляют за собой право менять характеристики без уведомления, в том числе в инструкциях (паспортах) - обязательно запрашивайте подтверждение значений ключевых характеристик.
В связи со сложностями с валютой, логистикой и импортом, просьба запрашивать подтверждения цены и наличия товара на складах в Москве и Санкт-Петербурге

Характеристики
Основные характеристики:
  • Тип установки:
  • Грузоподъемность, т:
    20
  • Мобильность:
    Передвижной
  • Назначение:
  • Высота подхвата, мм:
    70
  • Вид штока:
    Одноштоковый
  • Количество стоек:
    1
  • Количество штоков:
    1
  • Ход штока, мм:
    650
  • Расстояние между точками подхвата max, мм:
    875
  • Минимальная ширина ямы, мм:
    700
  • Давление в гидравлической системе, бар:
    400
Дополнительно:
  • Время подъема, сек:
    116
  • Время опускания, сек:
    130
  • Способ закачки масла в цилиндр:
    пневмо
  • Рабочее давление воздуха, бар:
    14
  • Расход воздуха, л/мин: i
    158
  • Модельный ряд: i
    ПРК
  • Вес, кг:
    320
  • Цвет:
    синий
  • Габариты изделия, мм: i
    700x1270x1025
Инструкция по монтажу и эксплуатации — Подъемник канавный г/п 20т
Документация
Отзывы
Пока нет комментариев
Написать отзыв
Имя получателя*
Email
Введите комментарий*
Инструкции и документация
Инструкция по монтажу и эксплуатации — Подъемник канавный г/п 20т
372 766 руб